GSD7666-EGDR Two phases three wires Electronic active energy meter with RF
- Product Name:
- Two phases three wires Electronic active energy meter with RF
- Model Number:
- GSD7666-EGDR
- Brand:
- SMICO
- Standard:
- IEC62053-2
- Voltage:
- 230V
Details
The meter is suitable for rural, commercial and small industry use, it allows you to obtain readings and know the electrical parameters practically in real time.
It measures active and reactive energy consumption,instantaneous current and voltage, maximum demand in periods from 15 minutes to a minimum of 60 days, as well as the load profile; Its internal tariff structure allows billing based on 4 time bands.
Verifies the quality of service, storing and reporting electrical parameters of voltage, current, and frequency.Records maximum and minimum voltage values, and supply cuts and reconnections.
Electrical Characters
1.1 Active energy : records total active energy, total active energy(+), total active energy(- -), total reactive energy.
1.2 Maximum demand: Calculates peak demand occurring in kW during a blling period by comparing the demand calculated in the demand period with the value stored in the peak demand recorder.
1.3 Instantaneous power quality value : All instantaneous values are updated every second and are accessible via LCD or communication.
1.4 Blling: Monthly measures monthly billing data (energy, peak demand) on each blling date.
1.5 Tarif: Supports TOU function in 4 time periods
1.6 Events: Reset maximum demand; Sync Date Time; Unauthorized access; L1 phase failure; L2 phase failure; Overload; Power interruptions; Power interruptions
1.7 Load profile: Supports recording load profile in a period of 15 mins for maximum 60 days. .
1.8 Communication: has RF communication to perform remote reading and configuration
LCD DISPLAY

DIMENSIONS

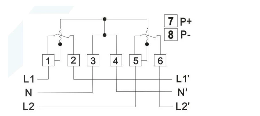
WIRING


