Copper aluminium cable lug connecting terminal
- Model Number:
- DTL-2
- Material:
- E-Cu AI-99.6% Bright
Copper aluminium cable lug connecting terminal
SMICO's Copper aluminium cable lug connecting terminal are mostly useful where an aluminum cable has to be terminated by a copper bus bar or copper contact. If Cable Lugs of only copper or aluminum are used , a galvanic action occurs due to dissimilar contact. The use of bimetallic lugs thus ensures a technically sound and durable joint. The Aluminum barrel is friction welded to the copper palm thereby achieving the best possible transition between barrel & palm.
Our range of Aluminum & Copper Bimetallic Lugs is having following advantages.
- Material : Conductivity Aluminum Barrel of 60% IACS & Copper Palm 97% IACS.
- Final Metal State : Fully Annealed.
- Jointing Method : Friction Welding
- Sizes : 16 Sqmm to 1000 Sqmm
Applications :
MV Terminations
LV Connections on Bus Bar.
Advantages of bimetallic lugs:
- Safe & low cost both in and use.
- All copper products are electro-tinned to BS standard and prevents it from corrosion and oxidation.
- PVC insulation is provided to terminals for exceptional di-electric strength & for supporting
- Entry to the wire barrel is shock-proof, or bell mouthed for faster and easier conductor entry.
Why can’t we use single-metal (copper or aluminum) cable lugs?
When two dissimilar metals come in contact with each other, it causes a ‘dissimilar metal corrosion’ or ‘galvanic action’. The aluminum cable and the copper lug barrel are two different metals when a copper lug is used for connecting aluminum cable, hence the galvanic action occurs.
To prevent this dissimilar contact, Bi-Metallic lugs are used. The aluminum barrel will be in contact with the aluminum cable and the copper (forged flat palm with a hole) will be in contact with the copper busbar. Further, the aluminum barrel is friction-welded to the copper palm for a better transition between the barrel and palm. This way, galvanic corrosion is avoided and a technically sound and durable joint is achieved.
Manufacturing
There are various ways to manufacture bimetallic lugs.
In one method, the electrolytic forged copper palm is friction-welded to the electrolytic aluminum barrel. In this method, copper and aluminum molecules are bonded together to create a strong and durable joint. Similarly, the aluminum and copper cables are joined using bi-metal in-line connectors ─ an aluminum barrel is provided for the aluminum cable, while a copper barrel is provided for the copper cable. Both parts (copper and aluminum) are friction-welded. The in-line connectors, pin-type connectors, etc. are manufactured based on the application of bi-metal terminals. Different combinations of bi-metallic compression joints are also available. These are designed and manufactured as per the distinct current carrying capacity of different types of cables.
For reducing contact resistance and corrosion the aluminum barrels are chemically treated; they are then filled with corrosion inhabitant to prevent oxidation of exposed surface (i.e., conductive type grease with a high dripping point) and then barrel ends are capped to avoid ingress of dust.
Application
Bimetallic lugs are used most when aluminum cables need to be terminated to the copper bus bar or copper contact. It is safe and low cost. The single-hole Bimetallic Lug is used to terminate aluminum conductors onto copper bus bars in electrical applications, control panels, switchgear, combiner boxes in Solar Plants, etc.
Types of Bi-metallic Lugs & Connectors
SMICO manufactures various types of Bi-metallic lugs and connectors and also offers customized products based on client specifications. For example, if the buyer needs additional combinations, the following can be manufactured-
1.Bi-metallic lugs - Aluminium barrel with copper palm (with single, double, or four holes)
2.Bi-metallic lugs with copper washer (Aluminium lug with copper washer)
3.Bi-metallic lugs reverse type (Copper barrel with aluminum palm)
4.Bi-metallic connectors – Straight type (for the same cross-section of Al & Cu cables)
5.Bi-metallic connectors – Reducing type (for different cross-sections of Al & Cu cables)
6.Bi-metallic connectors - Pin type (Aluminium barrel with solid copper pin)

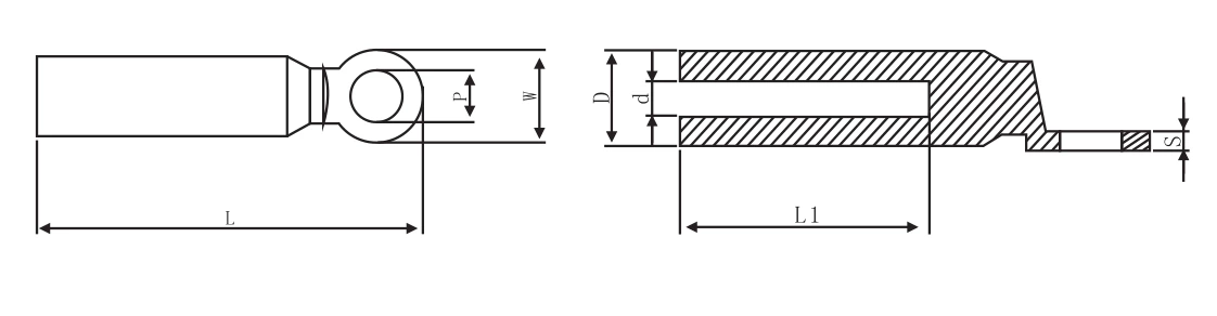
| Type A(mm) | dimensions(mm)) | ||||||
| P±0.3 | D±0.5 | d±0.3 | L±3 | L1±0.3 | W±0.5 | S±0.3 | |
| DTL-2-16-11 | φ11 | φ16 | φ6 | 80 | 40 | φ20 | 3 |
| DTL-2-25-11 | φ11 | φ16 | φ7 | 80 | 40 | φ20 | 3 |
| DTL-2-35-11 | φ11 | φ16 | φ8.5 | 80 | 40 | φ20 | 3 |
| DTL-2-50-13 | φ13 | φ20 | φ10 | 90 | 43 | φ25 | 4.5 |
| DTL-2-70-13 | φ13 | φ20 | φ11.5 | 90 | 43 | φ25 | 4.5 |
| DTL-2-95-13 | φ13 | φ20 | φ13.5 | 90 | 43 | φ25 | 4.5 |
| DTL-2-120-13 | φ13 | φ25 | φ15 | 115 | 59 | φ30 | 5.5 |
| DTL-2-150-13 | φ13 | φ25 | φ16.5 | 115 | 59 | φ30 | 5.5 |
| DTL-2-185-13 | φ13 | φ32 | φ18.5 | 122 | 60 | φ30 | 6 |
| DTL-2-240-13 | φ13 | φ32 | φ21 | 122 | 60 | φ35 | 6 |
| DTL-2-300-13 | φ13 | φ34 | φ23.5 | 128 | 65 | φ35 | 6 |
| DTL-2-400-17 | φ17 | φ40 | φ26 | 160 | 90 | φ36 | 6 |
| DTL-2-500-17 | φ17 | φ40 | φ30 | 160 | 90 | φ36 | 6 |
| DTL-2-630-17 | φ17 | φ47 | φ33.5 | 205 | 95 | φ60 | 10 |
| DTL-2-800 | φ17 | φ60 | φ38.5 | 240 | 110 | φ80 | 10 |
| DTL-2-1000 | φ17 | φ60 | φ43.5 | 240 | 110 | φ80 | 10 |
HOW TO INSTALL CRIMP CONNECTORS ONTO ALUMINIUM CONDUCTORS USING THE DEEP STEP INDENTING METHOD
- Unsheath and strip the aluminium conductor then shape the conductor to a round and compact configuration using the pre-rounding die set appropriate to this type of cable conductor size, shape and stranding, this includes LV, MV and HV cables
- Insert aluminium conductor into the cable lugs or connectors
- Select the relevant compression die set (MV) and associated indentor (PS130) to the connector to be crimped and then locate them carefully into the hydraulic crimping tool or presshead
- Indent the electrical connector in the sequence show below (FIG 2). Note, for a through splice connector indent the outer positions first, followed by the inner positions. For a cable lug indent the position near the cable conductor first, followed by the position near the cable lug palm.
- After indenting the crimp connector, fill the indents with the compound provided with the connectors, lugs or splices
Note: The sequence must be followed in order to obtain the correct conductor fill coefficient essential for producing a stable electrical connection to aluminium conductor on medium/high voltage cables.


Can the copper conductor and aluminum connductor connected directly?
So can the copper wire and aluminum wire can be connected directly? the answer is: Certainly you can’t.
Why can’t you connect directly?
First, the electrical resistivity of the aluminum wire and the copper wire is different.
Second, this is the most critical, that is, the aluminum wire is very easy to oxidize, forming a layer of oxide on its surface, plus aluminum is smaller than the hardness of copper, which will greatly increase the aluminum wire and copper wire connections. The contact resistance, when using the current through this connection place, the contact resistance will heat, if it is a large current, the heat is very serious, and the connection will be burned.
Third, according to the safety operation specification, the aluminum wire cannot be connected to the copper wire.
Direct connection:
1. When copper, aluminum conductor is directly connected, the contact surface of the two metals is extremely easily formed by moisture, carbon dioxide and other impurities, thereby forming a primary battery in which aluminum is a negative electrode, copper is a positive electrode. To generate electrochemical corrosion, the contact resistance of copper and aluminum joint is increased.
2. in addition, due to the difference between the elastic modulus and the thermal expansion coefficient of copper, aluminum, after the operation is multi-thermal cycle (energized and power-off), the contact point will cause a large gap to affect the contact. Contact resistors are also increased. The increase in contact resistance can cause an increase in temperature. Corrosion oxidation at high temperatures will exacerbate, resulting in a vicious circle, making the connection quality deteriorate, and finally leading the contact point temperature and even smoke, burning and other accidents.
Connection methods
1.Use Aluminium-Copper Bimetallic Cable Lugs to connect the copper cable and aluminum cable.First we can connect the aluminum conductor to the aluminum tube of the Aluminium-Copper Bimetallic cable lugs,then connect the copper conductor.Copper aluminum of CROP bimetallic lugs is tightly welded, and electro chemical corrosion can be completely eliminated. Also can be use copper tinned copper lugs to connect the copper cable and aluminum cable.
2.Use Aluminium-Copper Parallel Groove Connector and Aluminium-Copper tube to connect.CROP Aluminium-Copper Parallel Groove Connector PG660 series widely used in the transition connection of copper aluminum conductor, It is also one of our hot products.



